マニアindex まにあ?おたく?
マニア、おたくに必要な情報を、雑多に羅列です。

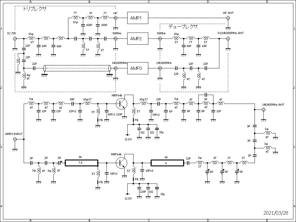
7. IC-705ってアンテナコネクタ一つだ

IC-705用分配/合成増幅案の製作

最近、PC無しでリモート出来るWifi付きのIC-705を手に入れた。                                HOME

アンテナに接続するには、多少困ってしまう。
何故なら、HF/VHF/UHFと使えるのにアンテナ出力が一つしか無いのだ。
市販のデュープレクサを買っても自分の所の現用設備になかなか合わない。
周波数毎の、分配合成に挑戦してみた。

まずは、自局のアンテナ設備に合わせようと思う。
HFは、3.5M7Mは、上がっている。50M/144M/430MHzは、アンテナ一本だ。

しかし

HF用アンプ。50MHz用アンプは、以前作った物がある。

では、分配合成を多用して144M/430MHzのアンプを作ろう。


上手く分配/合成出来るかな。



基本回路です


トランジスタは、30年ほど前から手持ちにあったものを取りあえず使った。

2m用は、MRF648を使った。本来400M帯用である。
70cm用には、648より少しパワーゲインのあるMRF646を使った。

今風に作ると、パワーゲインのある良いトランジスタが選べると思う。
これが、後に不満になる。

トリプレクサも作ってみた。


435MHzは、ゲインが不足で、バッテリーの12Vでは、10W入力で25W程度しか出て来ません。
フィルタ等を通過すると、20Wちょいになってしまいます。

144MHzは、5W入力で十分の様です。



せっかくIC-705が手に入ったのに、我が家のADSL Yah**BB が最近急にUDPポートが開けなくなった。
ポート開放しても、外から遠隔が出来ないのだ!!
Sof*Ban*からは、何の連絡も無く突然急にだ。この胡散臭い会社らしいやり口、困ったもんだ。
ここには、何度も苦労させられている。接続スピードを下げられたりした。

何故だ!!

光がIPV6対応になって、局舎のサーバーが、UDPポート通じない設定になったのだろう。
もう、ADSLを捨てるしかないのでしょうか?

ICOMさんも、ソロソロ 制御だけは、UDPを使わない様に変更の時期かと思う。(コントロールに使うポートの事)
デフォルトUDP50001の場合、IPV4/IPV6両方対応出来る 何とかしか使えない。








書きかけです。つづく・・・・・・・・。