|
マニアindex まにあ?おたく? |
| 5.SSB無線機の製作 |
昔の仲間と喋ってみたい。3.5MHzに出てみたい。SSBの電波を出してみたい。 HOME
最新型のリグ出てますよー。無線機販売店のおやじは言います。
どれどれ、ん?んんん。何十万円もしますなー。強電界にも強い、混信にも強い、DSP内蔵、ANTチューナーも付いている。
でも、なーんか少しノイズっぽいし、出てくる音はこもっているし。どうしょーかなー。
待てよ。俺はアマチュア無線をやろうとしているんだっけ。業務やプロの通信をするわけじゃーないよね。
てなわけで
作っちゃいました。
夢の無線機製作は、以下の様になります。

なんじゃこれは、きったねー。
作れるか?思い浮かべた回路を並べてテストしてみました。1号機です。
主な仕様は、ダイレクトコンバージョンにDDSの組み合わせです。といってもPSNです。DDSをコントロールする技術がないので、74193で秋月のDDSキットを制御します。ロータリーエンコーダーは、オムロンの高級品、1回転100パルスです。
3.5MHzは、無事出力しましたが、周波数を表示させないと、今どこか、分かりません。そこで、前に作ったPICの周波数カウンタを付けました。
欠点も見つかりました。
強電界のローカルが出てくると、他の周波数が使えません。アナログSWで、いきなりAF信号になるのでAGCが掛けづらいですねー。
送信は、SSBが綺麗に変調出来ますが、キャリヤ漏れの調整がクリチカルです。
1号機と2号機

何とも、撮影はへたですねー。
欠点を、克服すべく、いよいよ2号機の製作です。
作り上げた時の回路図です。何やらそれらしく出来ています。
2号機の仕様。シングルコンバージョン。ANTからの受信信号を、LPF通過後DBMミキサー。FM用X-TalフィルタIFAmp1段。PSNによるアナログスイッチ復調。
後に、PINダイオードのAGCアッテネーター、IFアンプAGCが付きます。

ウェーブ電子さんのDDSが真ん中に控えています。
ほとんどの信号は、低周波で処理されていますので、ローパスフィルタから。
ノッチ付き2次型ステート・バリアブルLPFです。ICは、普通の4558タイプです。抵抗10Kオームコンデンサ0.01マイクロで構成しました。
フィルタのQは、最後の段+から最初の段+へ戻す抵抗で決まります。約2.2Kで1.8。3.3Kで1.3位です。
最後の段は、ゲインを稼ぐことが出来ます。
カツトオフ周波数は、2.1KHzです。ただ、5KHz以上は-10db程度です。やや物足りないですので、入力に1K、0.1マイクロ程度のローパスを入れます。
これで、送信側の電波法上の帯域制限や、受信時の隣接周波数の、ビート妨害から逃れられます。
さて、何年か使い続けているうちに色々変更したくなります。
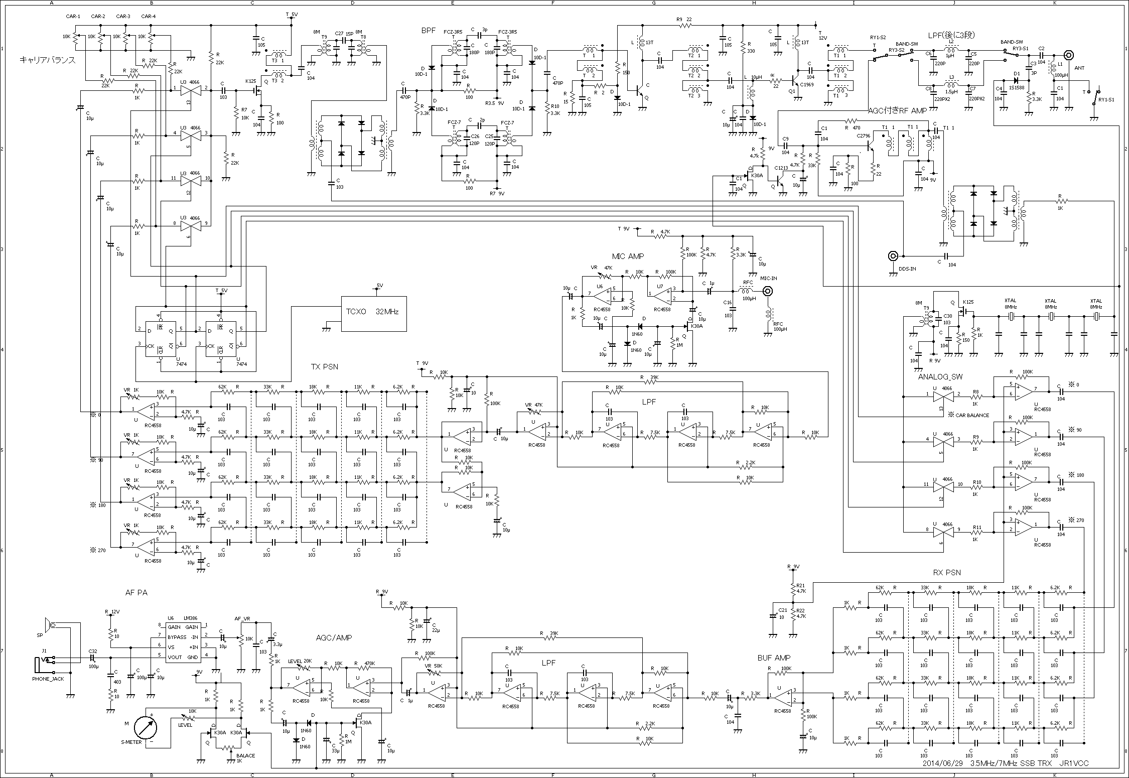
2014年春の最近の回路です。
どこが違うかって?
何しろ、局発がTCXOになりました。4倍の32MHzで発信、それを4分周して0°90°
180° 270°を作り出しています。
IFは、8MHzのラダー型フィルタを構成できました。
受信のRFAMPもNFB付きのAGCAMPになりました。
変調も、AGC付きのマイクアンプです。
回路考察や、PSNの勘所については、これから追々さぐっていくつもりです。
書きかけです。つづく・・・・・・・・。