|
マニアindex まにあ?おたく? |
| 10. 昔の PLL IC を使う |
昔の PLL IC を使う?
自作で、無線機を作ろう!!と頑張って居た方は、旧型のPLL ICが、部品箱に残っていると思います。
今は、あまり出番がなくなってきました。
そこで、無線用の簡単な測定器や、色々な応用を考えてみます。
部品箱の中を整理してみませんか。
我が家には、MSM 5807 MB 8719 μPD861C HD42851 MC145163等が、ありました。
CB無線機など用に、色々なPLL ICが、存在していました。
パラレル入力の旧型から、シリアル入力の最新型まで、色々あって何か作るには便利でした。
HOME
PLLの簡単な原理から。
周波数の安定は、PLLシンセサイザー方式でVCO発振を使い、変調を掛けます。
PLLの例
無線機を自作しようと頑張った方々のパーツBOXには、いくつかのPLL ICが残っていると、思います。
今回製作した、古いPLL IC
50年位前に、アメリカへのCB無線機の輸出で
水晶が不足し、沢山の種類のPLL ICが出て来ました。
当時、ハムジャーナル(季刊誌)に投稿した事を、覚えています。
CQ Ham Radio 別冊 HAM Journal No.18
PLLシンセの設計製作
アマチュア無線機も、少しずつPLL化されて、世に出て来た頃です。
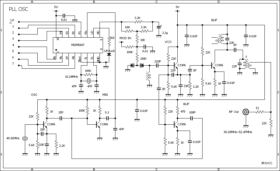
50MHz用に、シグナルジェネレーターを作ってみました。
SSGでは無く、ただのSGです。受信機の調整に使います。
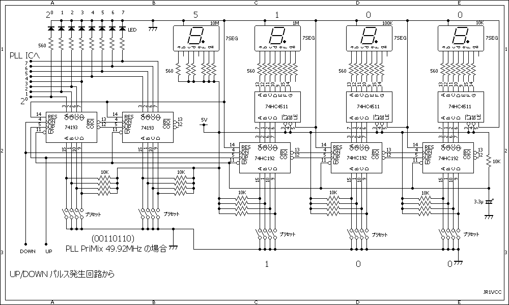
PLL部基板

PLL 回路
できるだけ簡略化して、作ってみました。
VCO制御電圧は、50.20MHz付近で、2.4V 52.47MHzで、5Vになるように調整。
PLL 制御回路
プリミックスのX-Talは、手持ちの物を使ったので、このような構成になりました。
74HC192のプリセットは、電源SWをONしたときに、表示される周波数にプリセットします。
74HC193は、PLLの発振周波数が、表示周波数と一致するよう設定します。
蛇の目基板に、組み込みました。

制御する方法は?
ロータリーエンコーダーの場合。
アップダウン SW で作った場合。
スイッチ チョン押しで、ワンパルス
長押しで、連続パルスが、出ます。
アッテネータ/ローパスフィルター

SG OUTは、ミスマッチですね。
PINダイオードは、電力スイッチ以外の物を使います。
-107dBmは、50Ω負荷で 0dBμ 1μVに、なると思います。(最低出力は、この位)
SGのスプリアスを測定

出力が小さくて、高調波は、計測困難でした。
前パネル。

今、主流のICは、シリアル入力なので、PIC IC等でプログラムして使えば良いと思います。
今回は、古いICを使うのが目的なので、このような構成になりました。
ロジックICを使う場合は、電源のパスコンを適宜入れておきます。
誤動作で困らない様に。
書きかけです。つづく・・・・・・・・。